
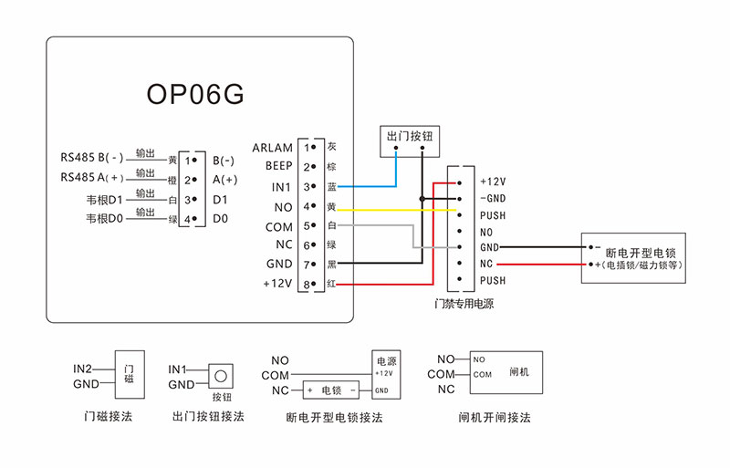
我們常見的門禁控制主板上接出門按鈕的都是兩個(gè)接線端子,而這款二維碼一體機(jī)的接線圖上只出門按鈕一個(gè)接線端口,我們該如何接線,下面我們來具體講一下。
我們從接線圖上可以看到一根接出門按鈕,一根接GND,所以我們從GND這里分一根線出來接到出門按即可。


網(wǎng)站地圖
|
聯(lián)系我們
|
關(guān)于我們
? 塞伯羅斯 版權(quán)所有 ALL Rights Reserved.
粵ICP備18069998號-1